Cách đấu công tắc cầu thang kết hợp với điều khiển từ xa
Ứng dụng:
Xử dụng cho nhà để ô tô, xe máy, ... . Nơi để xe thường có 2 cửa, 1 cửa là để bạn cho xe vào, 1 cửa là để bạn đi lên phòng. Thường thì họ sẽ là 2 công tắc đảo chiều đặt tại 2 vị trí cửa vào và cửa lên phòng. Nhưng đôi khi chúng ta cảm thấy không tiện khi phải ra bật đèn tại các vị trí đó, thay vào đó chúng ta sử dụng điều khiển để bật và tắt đèn lúc ngồi trong ô tô. Cũng có thể tắt và bật tại các vị trí công tắc đảo chiều kia và đồng thời sử dụng điều khiển để làm chức năng tương tự 1 vị trí công tắc đảo chiều.

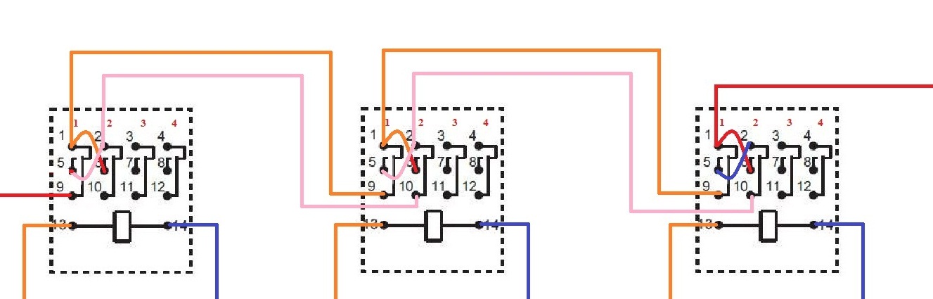
Thường thì ta sử dụng loại rơ le 6 chân, nhưng vì cách đấu rơ le 6 chân dễ hơn nên tôi giới thiệu loại rơ le 14 chân để khi bạn gặp phải tình huống này không bị hoang mang. Cả 2 loại ta đều sử dụng rơ le có nguồn cấp là 220V AC.
Chúng ta sẽ không cần sử dụng chức năng của khối 3,4 mà chỉ cần sử dụng chức năng của khối 1 và 2.
Nguyên tắc 1 đấu khối 1 và 2 như sau:
1. Thường đóng của 1 đấu với thường mở của 2.
2. Thường mở của 1 đấu với thường đóng của 2.

Nguyên tác 2 nối như sau:
1. Điều khiển từ xa sẽ đấu vào chân điều khiển rơ le.
2. Từ 2 cực được nối với nhau như ở nguyên tác 1 ta nối vào 2 cực của công tắc 2 chiều số 1.
3. Nguồn cấp đảo chiều của rơ le được nối vào 2 cực của công tắc 2 chiều số 2.

Từ 2 nguyên tắc trên ta đã tạo được sơ đồ đấu cho công tắc 3 vị trí kết hợp với điều khiển từ xa.
Bài viết cùng danh mục:
- 0 Bình luận









